Пробник доступности  ZLT-U01B
Sale
Sale

Основная информация

Наименование: Пробник доступности ZLT-U01B

Артикул:

Цена: По запросу

Написать в Whatsapp


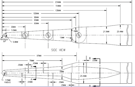
Пробник доступности тестового щупа UL 1082

Детали производства: Модель ZLT-U01B

Чтобы проверить отверстие в корпусе с меньшими размерами менее 1 дюйма (25,4 мм), выполните требования стандарта CSA C22.2. UL1082 рисунок 7.2, ручка нейлон, наконечник из нержавеющей стали.

 

 






Большой выбор оборудования и комплектующих

Быстрая качественная доставка

Без посредников

*Вся представленная на сайте информация, касающаяся продукции, носит информационный характер и ни при каких условиях не является публичной офертой, определяемой положениями Статьи 437 (2) Гражданского кодекса Российской Федерации. Для получения уточняющей информации, пожалуйста, обращайтесь по телефонам, указанным в разделе Контакты или запросом на электронную почту.